Odvetvia
Vetracie zariadenia a domáce spotrebiče
• Vetracie zariadenia
-Axiálne ventilátory
-Odstredivé ventilátory
- Strešné ventilátory
• Domáce spotrebiče:
-Práčky
- Čističky vzduchu
- Chladiace ventilátory
- Chladničky $ $
Súvisiace produkty
×
| Elektrické špecifikácie | |||||||||||||||||||||||||
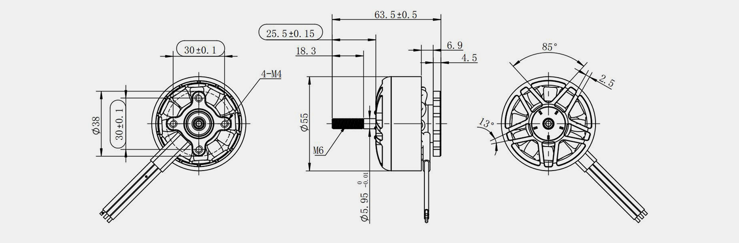
| Max. P (W) | Napätie (V) | Max. ja (A) | KV | Prúd naprázdno (A) | Odpor (mΩ) | Poliaci | Rozmer motora (mm) | Stator Dim. (mm) | Montáž (mm) | N.W. (g) | Prop. (palec) | ||||||||||||||
| 1052 | 25~33,6 | 45 | 350 | 1.5 | 45 | 14 | φ55*38 | φ47*15 | M3-30*30 | 277 | 13" | ||||||||||||||
| Údaje o testovaní ťahu | |||||||||||||||||||||||||
| Vrtuľa | Hodnota kV | Plyn (%) | U (V) | ja (A) | N (RPM) | Pout (W) | Pin (W) | Efektívnosť (G/W) | |||||||||||||||||
| GF1310*3 | 350 kV $ $ | 30 | 25.13 | 0.304 | 1737.5 | 285 | 7.6 | 4.959 | |||||||||||||||||
| 35 | 25.1 | 1.128 | 2188.7 | 346.9 | 28.3 | 4.644 | |||||||||||||||||||
| 40 | 25.07 | 2.15 | 2586.8 | 395.4 | 53.9 | 4.6 | |||||||||||||||||||
| 45 | 25.01 | 3.905 | 3072.1 | 444.1 | 97.7 | 4.814 | |||||||||||||||||||
| 50 | 24.96 | 5.722 | 3427.8 | 469.5 | 142.8 | 5.128 | |||||||||||||||||||
| 55 | 24.9 | 7.707 | 3734.9 | 484.3 | 191.9 | 5.495 | |||||||||||||||||||
| 60 | 24.82 | 10.228 | 4070.8 | 494.1 | 253.9 | 5.973 | |||||||||||||||||||
| 65 | 24.7 | 13.866 | 4458 | 491.4 | 342.5 | 6.798 | |||||||||||||||||||
| 70 | 24.59 | 17.485 | 4785.6 | 481.2 | 429.9 | 7.62 | |||||||||||||||||||
| 75 | 24.45 | 21.663 | 5093.5 | 460.1 | 529.7 | 8.72 | |||||||||||||||||||
| 80 | 24.3 | 26.413 | 5384.7 | 428.8 | 641.8 | 10.186 | |||||||||||||||||||
| 85 | 24.13 | 31.418 | 5661.1 | 393.6 | 758.3 | 11.977 | |||||||||||||||||||
| 90 | 23.96 | 36.765 | 5909.1 | 352.2 | 880.9 | 14.277 | |||||||||||||||||||
| 95 | 23.75 | 42.922 | 6131.1 | 300.8 | 1019.5 | 17.8 | |||||||||||||||||||
| 100 | 23.7 | 44.411 | 6217.5 | 292.6 | 1052.3 | 18.591 | |||||||||||||||||||
6S 320kV 350kV 380kV dronové motory LN4715 1,5kg ťahová sila
Čistička vzduchu 24VDC 40W Motor ventilátora Motor stropného ventilátora wo60 Series
×
Dvojité napätie 230VAC/12VDC do jedného pohonu pre napájací systém solárnych panelov pre vzdialenú oblasť Séria W70 s kovovým plášťom
Vlastnosti produktu:
Podpora dvojitého napätia pre flexibilné zdroje napájania
Navrhnuté s odolným kovovým plášťom pre lepšiu ochranu
Ideálne pre solárne systémy
Spoľahlivý výkon v odľahlých oblastiach
Dvojité napätie 230VAC/12VDC do jedného pohonu pre napájací systém solárnych panelov pre vzdialenú oblasť Séria W70 s kovovým plášťom
